



| Frame Size | Poles | DriveEnd | NonNon-drive end | |
|---|---|---|---|---|
| B3 | B5 | |||
| 71 | 2 to 6 | 6204 ZZ-C3 | 6204 2Z-C3 | 6202 ZZ-C3 |
| 80 | 2 to 8 | 6205 ZZ-C3 | 6205 2Z-C3 | 6204 ZZ-C3 |
| 90 | 2 to 8 | 6205 ZZ-C3 | 6205 ZZ-C3 | 6205 ZZ-C3 |
| 100 | 2 to 8 | 6206 ZZ-C3 | 6206 ZZ-C3 | 6206 ZZ-C3 |
| 112 | 2 to 8 | 6307 ZZ-C3 | 6307 ZZ-C3 | 6306 ZZ-C3 |
| 132 | 2 to 8 | 6308 ZZ-C3 | 6308 ZZ-C3 | 6308 ZZ-C3 |
| 160 | 2 | 6309-C3 | 6309-C3 | 6309-C3 |
| 4 to 8 | 6311-C3 | 6311-C3 | 6309-C3 | |
| 180 | 2 | 6312-C3 | 6312-C3 | 6311-C3 |
| 4 to 8 | 6312-C3 | 6312-C3 | 63011-C3 | |
| 200 | 2 | 6313-C3 | 6313-C3 | 6312-C3 |
| 4 to 8 | 6313-C3 | 6313-C3 | 6312-C3 | |
| 225 | 2 | 6314-C3 | 6314-C3 | 6313-C3 |
| 4 to 8 | 6314-C3 | 6314-C3 | 6313-C3 | |
| 250 | 2 | 6316-C3 | 6316-C3 | 6314-C3 |
| 4 to 8 | 6316-C3 | 6316-C3 | 6314-C3 | |
| 280 | 2 | 6317-C3 | 6317-C3 | 6314-C3 |
| 4 to 8 | 6317-C3 | 6317-C3 | 6317-C3 | |
| 315 | 2 | 6317-C3 | 6317-C3 | 6317-C3 |
| 4 to 10 | NU6319-C3 | NU6319-C3 | 6319-C3 | |
| 355 | 2 | NU322-C3 | NU322-C3 | 6319-C3 |
| 4 to 10 | NU322-C3 | NU322-C3 | 6322-C3 | |
| CLASSIFIED NO | FRAME SIZE | MAX.FL.AMPS | ENTRY SIZE |
|---|---|---|---|
| 1 | H71-80 | 2.6 | 1 x PG1 6 1 xM20x1.5 |
| 2 | H90-100 | 6.8 | 1 xPG16 1 xM20x1.5 |
| 3 | H112-132 | 15.4 | 2xPG21 2xM32x1.5 |
| 4 | H160-180 | 42.5 | 2xPG29 2xM40x1.5 |
| 5 | H200-225 | 84.2 | 2xPG36 2xM50x1.5 |
| 6 | H250-280 | 166.6 | 2xPG42 2xM63x1.5 |
| 7 | H315 | 358 | 2xPG48 2xM63x1.5 |
| 8 | H355 | 546 | 2xPG48 2xM63x1.5 |
| 1. | B5 Flange | 9. | Inner Bearing Cap | 17. | Rear Endshield | 25. | Cable Gland |
|---|---|---|---|---|---|---|---|
| 2. | B14 Flange | 10. | External Bearing Cap | 18. | Fan | 26. | Terminal Board |
| 3. | Front Endshield | 11. | Bearing | 19. | Fan Cover | 27. | Connection Block |
| 4. | Frame | 12. | Stator | 20. | Screw | 28. | Terminals |
| 5. | Key | 13. | Inner Bearing Cap | 21. | Spring Washer | 29. | Bolt |
| 6. | Oil Seal | 14. | Nameplate | 22. | Fan Clamp | 30. | Connection Block |
| 7. | Bolt | 15. | Rotor | 23. | Terminal Box Lid | 31. | External Bearing Cap |
| 8. | Spring Washer | 16. | Gasket | 24. | Terminal Box Base |
| Type | Poles | L |
H | C | E | D | G | F | DH | HD | AC | A | AB | B | K |
|---|---|---|---|---|---|---|---|---|---|---|---|---|---|---|---|
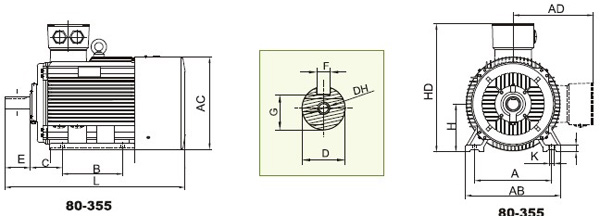
| 80A | 2.4.6 | 310 | 80 | 50 | 50 | 22 | 18.5 | 6 | M6X1X25 | 214 | 175 | 125 | 165 | 100 | 10 |
| 80B | 2.4.6 | 310 | 80 | 50 | 50 | 22 | 18.5 | 6 | M6X1X25 | 214 | 175 | 125 | 165 | 100 | 10 |
| 90L | 2.4.6 | 360 | 90 | 56 | 50 | 24 | 20 | 8 | M8X125X25 | 250 | 195 | 140 | 180 | 125 | 10 |
| 100S | 2.4 | 385 | 100 | 63 | 60 | 28 | 24 | 8 | M8X1.25X35 | 270 | 215 | 160 | 205 | 112 | 12 |
| 100L | 2.4.6 | 385 | 100 | 63 | 60 | 28 | 24 | 8 | M8X1.25X35 | 270 | 215 | 160 | 205 | 140 | 12 |
| 112MA | 4.6 | 435 | 112 | 70 | 80 | 32 | 27 | 10 | M10X1.5X35 | 300 | 240 | 190 | 230 | 140 | 12 |
| 112MB | 2.4.6.8 | 435 | 112 | 70 | 80 | 32 | 27 | 10 | M10X1.5X35 | 300 | 240 | 190 | 230 | 140 | 14 |
| 132S | 4.6.8 | 470 | 132 | 89 | 80 | 38 | 33 | 10 | M12X1.75X40 | 345 | 275 | 216 | 270 | 140 | 14 |
| 132M | 2.4.6 | 510 | 132 | 89 | 80 | 38 | 33 | 10 | M12X1.75X40 | 345 | 275 | 216 | 270 | 178 | 14 |
| 160S | 2 | 615 | 160 | 108 | 110 | 42 | 37 | 1 | M16X2X40 | 420 | 330 | 254 | 320 | 178 | 15 |
| 160S | 4.6.8 | 615 | 160 | 108 | 110 | 48 | 42.5 | 14 | M16X2X40 | 420 | 330 | 254 | 320 | 178 | 15 |
| 160M | 2 | 660 | 160 | 108 | 110 | 42 | 37 | 1 | M16X2X40 | 420 | 330 | 254 | 320 | 210 | 15 |
| 160M | 4.6.8 | 660 | 160 | 108 | 110 | 48 | 42.5 | 14 | M16X2X40 | 420 | 330 | 254 | 320 | 210 | 15 |
| 180S | 2 | 700 | 180 | 171 | 110 | 48 | 42.5 | 14 | M16X2X45 | 455 | 380 | 279 | 355 | 703 | 15 |
| 180S | 4.6.8 | 700 | 180 | 121 | 110 | 55 | 49 | 16 | M16X2X45 | 455 | 380 | 279 | 355 | 203 | 15 |
| 180M | 2 | 740 | 180 | 171 | 110 | 48 | 42.5 | 14 | M16X2X45 | 455 | 380 | 279 | 355 | 241 | 15 |
| 180M | 4.6.8 | 740 | 180 | 171 | 110 | 55 | 49 | 16 | M16X2X45 | 455 | 380 | 279 | 355 | 241 | 15 |
| 200M | 2 | 770 | 200 | 133 | 110 | 55 | 49 | 16 | M15X2.5X50 | 505 | 420 | 318 | 395 | 268 | 19 |
| 200M | 4.6.8 | 800 | 200 | 133 | 140 | 60 | 53 | 18 | M15X2.5X50 | 505 | 420 | 318 | 395 | 268 | 19 |
| 200L | 2 | 770 | 200 | 133 | 110 | 55 | 49 | 16 | M15X2.5X50 | 505 | 420 | 318 | 395 | 305 | 19 |
| 200L | 4.0.8 | 800 | 200 | 133 | 140 | 60 | 53 | 18 | M15X2.5X50 | 505 | 420 | 318 | 395 | 305 | 19 |
| 225M | 2 | 820 | 225 | 149 | 140 | 55 | 49 | 16 | M18X2.5X50 | 560 | 435 | 356 | 435 | 311 | 19 |
| 225M | 4.6.8 | 820 | 225 | 149 | 140 | 60 | 53 | 18 | M18X2.5X50 | 560 | 435 | 356 | 435 | 311 | 19 |
| 250S | 2 | 845 | 250 | 168 | 140 | 65 | 58 | 18 | M20X2.5X60 | 615 | 490 | 406 | 490 | 311 | 24 |
| 250S | 4.6.8 | 845 | 250 | 168 | 140 | 75 | 67.5 | 20 | M20X2.5X60 | 615 | 490 | 406 | 490 | 311 | 24 |
| 250M | 2 | 920 | 250 | 168 | 140 | 65 | 58 | 18 | M20X2.5X60 | 615 | 490 | 406 | 490 | 349 | 24 |
| 250M | 4.6.8 | 920 | 250 | 168 | 140 | 75 | 67.5 | 20 | M20X2.5X60 | 615 | 490 | 406 | 490 | 349 | 74 |
| 280S | 2 | 995 | 280 | 190 | 140 | 70 | 62.5 | 20 | M20X2.5X60 | 680 | 580 | 457 | 550 | 368 | 74 |
| 280S | 4.6.8 | 1025 | 280 | 190 | 170 | 80 | 71 | 22 | M20X2.5X60 | 680 | 580 | 457 | 550 | 368 | 74 |
| 280M | 2 | 1045 | 280 | 190 | 140 | 70 | 67.5 | 20 | M20X2.5X60 | 680 | 580 | 457 | 550 | 419 | 24 |
| 280M | 4.6.8 | 1075 | 280 | 190 | 170 | 80 | 71 | 22 | M20X25X60 | 680 | 580 | 457 | 550 | 419 | 24 |
| 315S | 2 | 1185 | 315 | 216 | 140 | 75 | 67.5 | 20 | M20X2.5X60 | 845 | 645 | 508 | 635 | 406 | 78 |
| 315S | 4.6.8 | 1220 | 315 | 216 | 170 | 90 | 81 | 25 | M20X2.5X60 | 845 | 645 | 508 | 635 | 406 | 78 |
| 315M | 2 | 1290 | 315 | 216 | 140 | 75 | 67.5 | 20 | M20X2.5X60 | 845 | 645 | 508 | G35 | 457 | 28 |
| 315M | 4.6.8 | 1325 | 315 | 216 | 170 | 90 | 81 | 25 | M20X2.5X60 | 845 | 645 | 508 | 635 | 457 | 28 |
| 355S | 2 | 1520 | 355 | 254 | 170 | 85 | 76 | 28 | M24X3X70 | 1010 | 710 | 610 | 730 | 500 | 28 |
| 355S | 4.6.8 | 1560 | 355 | 254 | 210 | 100 | 92 | 28 | M24X3X70 | 1010 | 710 | 610 | 730 | 500 | 28 |
| 355M | 2 | 1520 | 355 | 254 | 170 | 85 | 76 | 28 | M24X3X70 | 1010 | 710 | 610 | 730 | 560 | 28 |
| 355M | 4.6.8 | 1560 | 355 | 754 | 210 | 100 | 92 | 28 | M24X3X70 | 1010 | 710 | 610 | 730 | 560 | 28 |
| Type | Poles | L |
P | N | E | T | D | G | F | DH | M | S | AD | AC |
|---|---|---|---|---|---|---|---|---|---|---|---|---|---|---|
| 80A | 2.4.6 | 310 | 200 | 130 | 50 | 3.5 | 22 | 18.5 | 6 | M6X1X25 | 165 | 4x12 | 145 | 158 |
| 80B | 2.4.6 | 310 | 200 | 130 | 50 | 3.5 | 22 | 18.5 | 6 | M6X1X25 | 165 | 4x12 | 145 | 158 |
| 90L | 2.4.6 | 360 | 250 | 180 | 50 | 4 | 24 | 20 | 8 | M8X1.25X25 | 215 | 4x15 | 155 | 177 |
| 100S | 2.4 | 385 | 250 | 180 | 60 | 4 | 28 | 24 | 8 | M8X1.25X35 | 215 | 4x15 | 180 | 198 |
| 100L | 2.4.6 | 385 | 250 | 180 | 60 | 4 | 28 | 24 | 8 | M8X1.25X35 | 215 | 4x15 | 180 | 198 |
| 112MA | 4.6 | 435 | 300 | 230 | 80 | 4 | 32 | 27 | 10 | M10X1.5X35 | 265 | 4x15 | 190 | 220 |
| 112MB | 2.4.6.8 | 435 | 300 | 230 | 80 | 4 | 32 | 27 | 10 | M10X1.5X35 | 265 | 4x19 | 190 | 220 |
| 132S | 4.6.8 | 470 | 350 | 250 | 80 | 5 | 38 | 33 | 10 | M12X1.75X40 | 300 | 4x19 | 210 | 259 |
| 132M | 2.4.6 | 510 | 350 | 250 | 80 | 5 | 38 | 33 | 10 | M12X1.75X40 | 300 | 4x19 | 210 | 259 |
| 160S | 2 | 615 | 350 | 250 | 110 | 5 | 42 | 37 | 12 | M16X2X40 | 300 | 4x19 | 255 | 315 |
| 160S | 4.6.8 | 615 | 350 | 250 | 110 | 5 | 48 | 42.5 | 14 | M16X2X40 | 300 | 4x19 | 225 | 315 |
| 160M | 2 | 660 | 350 | 250 | 110 | 5 | 42 | 37 | 12 | M16X2X40 | 300 | 4x19 | 255 | 315 |
| 160M | 4.6.8 | 660 | 350 | 250 | 110 | 5 | 48 | 42.5 | 14 | M16X2X40 | 300 | 4x19 | 255 | 315 |
| 180S | 2 | 700 | 400 | 300 | 110 | 5 | 48 | 42.5 | 14 | M16X2X45 | 350 | 4x19 | 280 | 355 |
| 180S | 4.6.8 | 700 | 400 | 300 | 110 | 5 | 55 | 49 | 16 | M16X2X45 | 350 | 8x19 | 280 | 355 |
| 180M | 2 | 740 | 400 | 300 | 110 | 5 | 48 | 42.5 | 14 | M16X2X45 | 350 | 8x19 | 280 | 355 |
| 180M | 4.6.8 | 740 | 400 | 300 | 110 | 5 | 55 | 49 | 16 | M16X2X45 | 350 | 8x19 | 280 | 355 |
| 200M | 2 | 770 | 450 | 350 | 110 | 5 | 55 | 49 | 16 | M15X2.5X50 | 400 | 8x19 | 305 | 397 |
| 200M | 4.6.8 | 800 | 450 | 350 | 140 | 5 | 60 | 53 | 18 | M15X2.5X50 | 400 | 8x19 | 305 | 397 |
| 200L | 2 | 770 | 450 | 350 | 110 | 5 | 55 | 49 | 16 | M15X2.5X50 | 400 | 8x19 | 305 | 397 |
| 200L | 4.0.8 | 800 | 450 | 350 | 140 | 5 | 60 | 53 | 18 | M15X2.5X50 | 400 | 8x19 | 305 | 397 |
| 225M | 2 | 820 | 550 | 450 | 140 | 5 | 55 | 49 | 16 | M18X2.5X50 | 500 | 8x19 | 335 | 445 |
| 225M | 4.6.8 | 820 | 550 | 450 | 140 | 5 | 60 | 53 | 18 | M18X2.5X50 | 500 | 8x19 | 335 | 445 |
| 250S | 2 | 845 | 550 | 450 | 140 | 5 | 65 | 58 | 18 | M20X2.5X60 | 500 | 8x24 | 370 | 485 |
| 250S | 4.6.8 | 845 | 550 | 450 | 140 | 5 | 75 | 67.5 | 20 | M20X2.5X60 | 500 | 8x24 | 370 | 485 |
| 250M | 2 | 920 | 550 | 450 | 140 | 5 | 65 | 58 | 18 | M20X2.5X60 | 500 | 8x24 | 370 | 485 |
| 250M | 4.6.8 | 920 | 550 | 450 | 140 | 5 | 75 | 67.5 | 20 | M20X2.5X60 | 500 | 8x24 | 370 | 485 |
| 280S | 2 | 995 | 660 | 550 | 140 | 6 | 70 | 62.5 | 20 | M20X2.5X60 | 600 | 8x24 | 410 | 547 |
| 280S | 4.6.8 | 1025 | 660 | 550 | 170 | 6 | 80 | 71 | 22 | M20X2.5X60 | 600 | 8x24 | 410 | 547 |
| 280M | 2 | 1045 | 660 | 550 | 140 | 6 | 70 | 67.5 | 20 | M20X2.5X60 | 600 | 8x24 | 410 | 547 |
| 280M | 4.6.8 | 1075 | 660 | 550 | 170 | 6 | 80 | 71 | 22 | M20X2.5X60 | 600 | 8x24 | 410 | 547 |
| 315S | 2 | 1185 | 660 | 550 | 140 | 6 | 75 | 67.5 | 20 | M20X2.5X60 | 600 | 8x24 | 530 | 620 |
| 315S | 4.6.8 | 1220 | 660 | 550 | 170 | 6 | 90 | 81 | 25 | M20X2.5X60 | 600 | 8x24 | 530 | 620 |
| 315M | 2 | 1290 | 660 | 550 | 140 | 6 | 75 | 67.5 | 20 | M20X2.5X60 | 600 | 8x24 | 530 | 620 |
| 315M | 4.6.8 | 1325 | 660 | 550 | 170 | 6 | 90 | 81 | 25 | M20X2.5X60 | 600 | 8x24 | 530 | 620 |
| 355S | 2 | 1520 | 800 | 680 | 170 | 6 | 85 | 76 | 22 | M24X3X70 | 740 | 8x24 | 655 | 698 |
| 355S | 4.6.8 | 1560 | 800 | 680 | 210 | 6 | 100 | 92 | 28 | M24X3X70 | 740 | 8x24 | 655 | 698 |
| 355M | 2 | 1520 | 800 | 680 | 170 | 6 | 85 | 76 | 22 | M24X3X70 | 740 | 8x24 | 655 | 698 |
| 355M | 4.6.8 | 1560 | 800 | 680 | 210 | 6 | 100 | 92 | 28 | M24X3X70 | 740 | 8x24 | 655 | 698 |
| Type | L |
AC | AD | D | G | E | F | DH | P | N | M | S | T |
|---|---|---|---|---|---|---|---|---|---|---|---|---|---|
| 71 | 276 | 155 | 136 | 19 | 15.5 | 40 | 6 | M6x16 | 105 | 70 | 85 | M6 | 3 |
| 80A | 314 | 158 | 153 | 22 | 18.5 | 50 | 6 | M6x16 | 120 | 80 | 100 | M6 | 3 |
| 80B | 339 | 158 | 153 | 22 | 18.5 | 50 | 6 | M6x16 | 120 | 80 | 100 | M6 | 3 |
| 90L | 372 | 177 | 160 | 24 | 20 | 50 | 8 | M8x19 | 140 | 95 | 115 | M8 | 3 |
| 100S | 381 | 198 | 170 | 28 | 24 | 60 | 8 | M10x22 | 160 | 110 | 130 | M8 | 3.5 |
| 100L | 409 | 198 | 170 | 28 | 24 | 60 | 8 | M10x22 | 160 | 110 | 130 | M8 | 3.5 |
| Type | L |
HD | AC | A | AB | B | BB | C | DH | D | E | F | G | H | HK | K | P | N | M | S | T |
|---|---|---|---|---|---|---|---|---|---|---|---|---|---|---|---|---|---|---|---|---|---|
| 71 | 276 | 207 | 155 | 112 | 144 | 90 | 120 | 45 | M6x16 | 19 | 40 | 6 | 15.5 | 71 | 8 | 7 | 105 | 70 | 85 | M6 | 3 |
| 80A | 314 | 233 | 158 | 125 | 160 | 100 | 130 | 50 | M6x16 | 22 | 50 | 6 | 18.5 | 80 | 10 | 10 | 120 | 80 | 100 | M6 | 3 |
| 80B | 339 | 233 | 158 | 125 | 160 | 100 | 130 | 50 | M6x16 | 22 | 50 | 6 | 18.5 | 80 | 10 | 10 | 120 | 80 | 100 | M6 | 3 |
| 90L | 372 | 250 | 177 | 140 | 176 | 125 | 155 | 56 | M8x19 | 24 | 50 | 8 | 20 | 90 | 12 | 10 | 140 | 95 | 115 | M8 | 3 |
| 100S | 381 | 270 | 198 | 160 | 200 | 112 | 148 | 63 | M10x22 | 28 | 60 | 8 | 24 | 100 | 14 | 12 | 160 | 110 | 130 | M8 | 3.5 |
| 100L | 409 | 270 | 198 | 160 | 200 | 140 | 176 | 63 | M10x22 | 28 | 60 | 8 | 24 | 100 | 14 | 12 | 160 | 110 | 130 | M8 | 3.5 |
| Type | Poles | L |
H | C | P | N | E | T | D | G | F | DH | HD | M | S | AD | AC | A | AB | B | K |
|---|---|---|---|---|---|---|---|---|---|---|---|---|---|---|---|---|---|---|---|---|---|
| 80A | 2.4.6 | 310 | 80 | 50 | 200 | 130 | 50 | 3.5 | 22 | 18.5 | 6 | M6X1X25 | 214 | 165 | 4x12 | 145 | 158 | 125 | 165 | 100 | 10 |
| 80B | 2.4.6 | 310 | 80 | 50 | 200 | 130 | 50 | 3.5 | 22 | 18.5 | 6 | M6X1X25 | 214 | 165 | 4x12 | 145 | 158 | 125 | 165 | 100 | 10 |
| 90L | 2.4.6 | 360 | 90 | 56 | 250 | 180 | 50 | 4 | 24 | 20 | 8 | M8X1.25X25 | 250 | 215 | 4x15 | 155 | 177 | 140 | 180 | 125 | 10 |
| 100S | 2.4 | 385 | 100 | 63 | 250 | 180 | 60 | 4 | 28 | 24 | 8 | M8X1.25X35 | 270 | 215 | 4x15 | 180 | 198 | 160 | 205 | 112 | 12 |
| 100L | 2.4.6 | 385 | 100 | 63 | 250 | 180 | 60 | 4 | 28 | 24 | 8 | M8X1.25X35 | 270 | 215 | 4x15 | 180 | 198 | 160 | 205 | 140 | 12 |
| 112MA | 4.6 | 435 | 112 | 70 | 300 | 230 | 80 | 4 | 32 | 27 | 10 | M10X1.5X35 | 300 | 265 | 4x15 | 190 | 220 | 190 | 230 | 140 | 12 |
| 112MB | 2.4.6.8 | 435 | 112 | 70 | 300 | 230 | 80 | 4 | 32 | 27 | 10 | M10X1.5X35 | 300 | 265 | 4x19 | 190 | 220 | 190 | 230 | 140 | 14 |
| 132S | 4.6.8 | 470 | 132 | 89 | 350 | 250 | 80 | 5 | 38 | 33 | 10 | M12X1.75X40 | 345 | 300 | 4x19 | 210 | 259 | 216 | 270 | 140 | 14 |
| 132M | 2.4.6 | 510 | 132 | 89 | 350 | 250 | 80 | 5 | 38 | 33 | 10 | M12X1.75X40 | 345 | 300 | 4x19 | 210 | 259 | 216 | 270 | 178 | 14 |
| 160S | 2 | 615 | 160 | 108 | 350 | 250 | 110 | 5 | 42 | 37 | 12 | M16X2X40 | 420 | 300 | 4x19 | 255 | 315 | 254 | 320 | 178 | 15 |
| 160S | 4.6.8 | 615 | 160 | 108 | 350 | 250 | 110 | 5 | 48 | 42.5 | 14 | M16X2X40 | 420 | 300 | 4x19 | 225 | 315 | 254 | 320 | 178 | 15 |
| 160M | 2 | 660 | 160 | 108 | 350 | 250 | 110 | 5 | 42 | 37 | 12 | M16X2X40 | 420 | 300 | 4x19 | 255 | 315 | 254 | 320 | 210 | 15 |
| 160M | 4.6.8 | 660 | 160 | 108 | 350 | 250 | 110 | 5 | 48 | 42.5 | 14 | M16X2X40 | 420 | 300 | 4x19 | 255 | 315 | 254 | 320 | 210 | 15 |
| 180S | 2 | 700 | 180 | 171 | 400 | 300 | 110 | 5 | 48 | 42.5 | 14 | M16X2X45 | 455 | 350 | 4x19 | 280 | 355 | 279 | 355 | 703 | 15 |
| 180S | 4.6.8 | 700 | 180 | 121 | 400 | 300 | 110 | 5 | 55 | 49 | 16 | M16X2X45 | 455 | 350 | 8x19 | 280 | 355 | 279 | 355 | 203 | 15 |
| 180M | 2 | 740 | 180 | 171 | 400 | 300 | 110 | 5 | 48 | 42.5 | 14 | M16X2X45 | 455 | 350 | 8x19 | 280 | 355 | 279 | 355 | 241 | 15 |
| 180M | 4.6.8 | 740 | 180 | 171 | 400 | 300 | 110 | 5 | 55 | 49 | 16 | M16X2X45 | 455 | 350 | 8x19 | 280 | 355 | 279 | 355 | 241 | 15 |
| 200M | 2 | 770 | 200 | 133 | 450 | 350 | 110 | 5 | 55 | 49 | 16 | M15X2.5X50 | 505 | 400 | 8x19 | 305 | 397 | 318 | 395 | 268 | 19 |
| 200M | 4.6.8 | 800 | 200 | 133 | 450 | 350 | 140 | 5 | 60 | 53 | 18 | M 15X2.5X50 | 505 | 400 | 8x19 | 305 | 397 | 318 | 395 | 268 | 19 |
| 200L | 2 | 770 | 200 | 133 | 450 | 350 | 110 | 5 | 55 | 49 | 16 | M15X2.5X50 | 505 | 400 | 8x19 | 305 | 397 | 318 | 395 | 305 | 19 |
| 200L | 4.0.8 | 800 | 200 | 133 | 450 | 350 | 140 | 5 | 60 | 53 | 18 | M15X2.5X50 | 505 | 400 | 8x19 | 305 | 397 | 318 | 395 | 305 | 19 |
| 225M | 2 | 820 | 225 | 149 | 550 | 450 | 110 | 5 | 55 | 49 | 16 | M 18X2.5X50 | 560 | 500 | 8x19 | 335 | 445 | 356 | 435 | 311 | 19 |
| 225M | 4.6.8 | 820 | 225 | 149 | 550 | 450 | 140 | 5 | 65 | 53 | 18 | M 18X2.5X50 | 560 | 500 | 8x19 | 335 | 445 | 356 | 435 | 311 | 19 |
| 250S | 2 | 845 | 250 | 168 | 550 | 450 | 140 | 5 | 65 | 58 | 18 | M20X2.5X60 | 615 | 500 | 8x24 | 370 | 485 | 406 | 490 | 311 | 24 |
| 250S | 4.6.8 | 845 | 250 | 168 | 550 | 450 | 140 | 5 | 75 | 67.5 | 20 | M20X2.5X60 | 615 | 500 | 8x24 | 370 | 485 | 406 | 490 | 311 | 24 |
| 250M | 2 | 920 | 250 | 168 | 550 | 450 | 140 | 5 | 65 | 58 | 18 | M20X2.5X60 | 615 | 500 | 8x24 | 370 | 485 | 406 | 490 | 349 | 24 |
| 250M | 4.6.8 | 920 | 250 | 168 | 550 | 450 | 140 | 5 | 75 | 67.5 | 20 | M20X2.5X60 | 615 | 500 | 8x24 | 370 | 485 | 406 | 490 | 349 | 74 |
| 280S | 2 | 995 | 280 | 190 | 660 | 550 | 140 | 6 | 70 | 62.5 | 20 | M20X2.5X60 | 680 | 600 | 8x24 | 410 | 547 | 457 | 550 | 368 | 74 |
| 280S | 4.6.8 | 1025 | 280 | 190 | 660 | 550 | 170 | 6 | 80 | 71 | 22 | M20X2.5X60 | 680 | 600 | 8x24 | 410 | 547 | 457 | 550 | 368 | 74 |
| 280M | 2 | 1045 | 280 | 190 | 660 | 550 | 140 | 6 | 70 | 67.5 | 20 | M20X2.5X60 | 680 | 600 | 8x24 | 410 | 547 | 457 | 550 | 419 | 24 |
| 280M | 4.6.8 | 1075 | 280 | 190 | 660 | 550 | 170 | 6 | 80 | 71 | 22 | M20X2.5X60 | 680 | 600 | 8x24 | 410 | 547 | 457 | 550 | 419 | 24 |
| 315S | 2 | 1185 | 315 | 216 | 660 | 550 | 140 | 6 | 75 | 67.5 | 20 | M20X2.5X60 | 845 | 600 | 8x24 | 530 | 620 | 508 | 635 | 406 | 78 |
| 315S | 4.6.8 | 1220 | 315 | 216 | 660 | 550 | 170 | 6 | 90 | 81 | 25 | M20X2.5X60 | 845 | 600 | 8x24 | 530 | 620 | 508 | 635 | 406 | 78 |
| 315M | 2 | 1290 | 315 | 216 | 660 | 550 | 140 | 6 | 75 | 67.5 | 20 | M20X2.5X60 | 845 | 600 | 8x24 | 530 | 620 | 508 | G35 | 457 | 28 |
| 315M | 4.6.8 | 1325 | 315 | 216 | 660 | 550 | 170 | 6 | 90 | 81 | 25 | M20X2.5X60 | 845 | 600 | 8x24 | 530 | 620 | 508 | 635 | 457 | 28 |
| 355M | 2 | 1560 | 355 | 254 | 800 | 860 | 210 | 6 | 100 | 92 | 28 | M24X3X70 | 1010 | 740 | 8x24 | 655 | 698 | 610 | 730 | 500 | 28 |
| 355M | 4.6.8 | 1560 | 355 | 254 | 800 | 860 | 210 | 6 | 100 | 92 | 28 | M24X3X70 | 1010 | 740 | 8x24 | 655 | 698 | 610 | 730 | 500 | 28 |
| 355L | 2 | 1560 | 355 | 254 | 800 | 860 | 210 | 6 | 100 | 92 | 28 | M24X3X70 | 1010 | 740 | 8x24 | 655 | 698 | 610 | 730 | 560 | 28 |
| 355L | 4.6.8 | 1560 | 355 | 754 | 800 | 860 | 210 | 6 | 100 | 92 | 28 | M24X3X70 | 1010 | 740 | 8x24 | 655 | 698 | 610 | 730 | 560 | 28 |
| Type | Poles | L |
H | C | E | D | G | F | DH | HD | AC | A | AB | B | K | AA | BB | HA | KK | |
|---|---|---|---|---|---|---|---|---|---|---|---|---|---|---|---|---|---|---|---|---|
| 80A | 2.4.6 | 300 | 80 | 50 | 50 | 22 | 18.5 | 6 | M6X1X25 | 214 | 158 | 125 | 155 | 100 | 10 | 30 | 125 | 8 | 2-M25x1.5 | 2-PG16 |
| 80B | 2.4.6 | 300 | 80 | 50 | 50 | 22 | 18.5 | 6 | M6X1X25 | 214 | 158 | 125 | 155 | 100 | 10 | 30 | 125 | 8 | 2-M25x1.5 | 2-PG16 |
| 90L | 2.4.6 | 360 | 90 | 56 | 50 | 24 | 20 | 8 | M8X1.25X25 | 250 | 177 | 140 | 180 | 125 | 10 | 37 | 156 | 10 | 2-M25x1.5 | 2-PG16 |
| 100S | 2.4 | 385 | 100 | 63 | 60 | 28 | 24 | 8 | M8X1.25X35 | 270 | 198 | 160 | 198 | 112 | 12 | 36 | 143 | 10 | 2-M32x1.5 | 2-PG21 |
| 100L | 2.4.6 | 400 | 100 | 63 | 60 | 28 | 24 | 8 | M8X1.25X35 | 270 | 198 | 160 | 198 | 140 | 12 | 36 | 171 | 10 | 2-M32x1.5 | 2-PG21 |
| 112MA | 4.6 | 425 | 112 | 70 | 80 | 32 | 27 | 10 | M10X1.5X35 | 300 | 220 | 190 | 230 | 140 | 12 | 42 | 181 | 13 | 2-M32x1.5 | 2-PG21 |
| 112MB | 2.4.6.8 | 425 | 112 | 70 | 80 | 32 | 27 | 10 | M10X1.5X35 | 300 | 220 | 190 | 230 | 140 | 12 | 42 | 181 | 13 | 2-M32x1.5 | 2-PG21 |
| 132S | 4.6.8 | 470 | 132 | 89 | 80 | 38 | 33 | 10 | M12X1.75X40 | 345 | 259 | 216 | 270 | 140 | 12 | 50 | 186 | 15 | 2-M32x1.5 | 2-PG21 |
| 132M | 2.4.6 | 510 | 132 | 89 | 80 | 38 | 33 | 10 | M12X1.75X40 | 345 | 259 | 216 | 270 | 178 | 12 | 50 | 223 | 15 | 2-M32x1.5 | 2-PG21 |

| NO. | Type | V | Output |
Speed r/min |
EFF. % |
P.F. Cos¦Õ |
Ts/Tn | Tmax/Tn | Is/In | Noise LwdB£¨A£© |
Weight kg |
J kgm2 |
|
|---|---|---|---|---|---|---|---|---|---|---|---|---|---|
| 380 | |||||||||||||
| A | kW | Hp | |||||||||||
| 1 | 71A2 | 1.77 | 0.75 | 1.0 | 2840 | 75.0 | 0.83 | 2.2 | 2.3 | 6.1 | 67 | 8.7 | 0.0006 |
| 2 | 71B2 | 2.6 | 1.1 | 1.5 | 2840 | 76.2 | 0.84 | 2.2 | 2.3 | 6.9 | 67 | 10.6 | 0.0008 |
| 3 | 80A2 | 3.46 | 1.5 | 2.0 | 2850 | 78.5 | 0.84 | 2.2 | 2.3 | 7.0 | 72 | 13 | 0.0011 |
| 4 | 80B2 | 4.85 | 2.2 | 3.0 | 2855 | 81.0 | 0.85 | 2.2 | 2.3 | 7.0 | 72 | 15 | 0.0018 |
| 5 | 90L2 | 6.34 | 3.0 | 4.0 | 2860 | 82.6 | 0.87 | 2.2 | 2.3 | 7.5 | 76 | 17 | 0.0024 |
| 6 | 100S2 | 8.2 | 4.0 | 5.5 | 2880 | 84.2 | 0.88 | 2.2 | 2.3 | 7.5 | 77 | 20.5 | 0.0070 |
| 7 | 100L2 | 11.1 | 5.5 | 7.5 | 2900 | 85.7 | 0.88 | 2.2 | 2.3 | 7.5 | 80 | 28 | 0.0080 |
| 8 | 112M2 | 14.9 | 7.5 | 10.0 | 2895 | 87.0 | CSS | 2.2 | 2.3 | 7.5 | 80 | 49 | 0.0185 |
| 9 | 132M2 | 21.2 | 11.0 | 15.0 | 2900 | 88.4 | 0.89 | 2.2 | 2.3 | 7.5 | 86 | 54 | 0.0227 |
| 10 | 160S2 | 28.6 | 15.0 | 20.0 | 2930 | 89.4 | 0.89 | 2.2 | 2.3 | 7.5 | 86 | 116 | 0.0500 |
| 11 | 160M2 | 34.7 | 18.5 | 25.0 | 2930 | 90.0 | 0.90 | 2.0 | 2.3 | 7.5 | 86 | 130 | 0.0550 |
| 12 | 180S2 | 41.0 | 22.0 | 30.0 | 2940 | 90.5 | 0.90 | 2.0 | 2.3 | 7.5 | 89 | 150 | 0.0620 |
| 13 | 180M2 | 55.4 | 30.0 | 40.0 | 2950 | 91.4 | 0.90 | 2.0 | 2.3 | 7.5 | 92 | 170 | 0.0700 |
| 14 | 200 M2 | 67.9 | 37.0 | 50.0 | 2950 | 92.0 | 0.88 | 2.0 | 2.3 | 7.5 | 92 | 230 | 0.1400 |
| 15 | 200L2 | 82.1 | 45.0 | 60.0 | 2960 | 92.5 | 0.90 | 2.0 | 2.3 | 7.5 | 92 | 255 | 0.1600 |
| 16 | 225 M2 | 100 | 55.0 | 75.0 | 2970 | 93.0 | 0.90 | 2.0 | 2.3 | 7.5 | 93 | 320 | 0.2000 |
| 17 | 250S2 | 135 | 75.0 | 100.0 | 2975 | 93.6 | 0.90 | 2.0 | 2.3 | 7.0 | 94 | 450 | 0.3500 |
| 18 | 250M2 | 160 | 90.0 | 125.0 | 2975 | 93.9 | 0.91 | 2.0 | 2.3 | 7.1 | 96 | 530 | 0.4000 |
| 19 | 280S2 | 195 | 110.0 | 150.0 | 2975 | 94.0 | 0.91 | 1.8 | 2.2 | 7.1 | 96 | 650 | 0.6000 |
| 20 | 280M2 | 233 | 132.0 | 180.0 | 2975 | 94.5 | 0.91 | 1.8 | 2.2 | 7.1 | 96 | 700 | 0.7000 |
| 21 | 315S2 | 279 | 160.0 | 220.0 | 2975 | 94.6 | 0.92 | 1.8 | 2.2 | 7.1 | 99 | 1170 | 2.8200 |
| 22 | 315M2 | 348 | 200.0 | 270.0 | 2975 | 94.8 | 0.92 | 1.8 | 2.2 | 7.1 | 99 | 1460 | 3.6600 |
| 23 | 355 M2 | 433 | 250.0 | 340.0 | 2980 | 95.2 | 0.92 | 1.6 | 2.2 | 7.1 | 103 | 1900 | 3.0000 |
| 24 | 355L2 | 545 | 315.0 | 430.0 | 2980 | 95.4 | 0.92 | 1.6 | 2.2 | 7.1 | 103 | 2300 | 3.5000 |
| NO. | Type | V | Output |
Speed r/min |
EFF. % |
P.F. Cos¦Õ |
Ts/Tn | Tmax/Tn | Is/In | Noise LwdB£¨A£© |
Weight kg |
J kgm2 |
|
|---|---|---|---|---|---|---|---|---|---|---|---|---|---|
| 380 | |||||||||||||
| A | kW | Hp | |||||||||||
| 1 | 71A4 | 1.57 | 0.55 | 0.75 | 1390 | 71.0 | 0.75 | 2.4 | 2.3 | 5.2 | 58 | 8.4 | 0.0010 |
| 2 | 71 B4 | 2.05 | 0.75 | 1.0 | 1390 | 73.0 | 0.76 | 2.3 | 2.3 | 6.0 | 58 | 10.0 | 0.0015 |
| 3 | 80A4 | 2.85 | 1.1 | 1.5 | 1390 | 76.2 | 0.77 | 2.3 | 2.3 | 6.0 | 61 | 14.0 | 0.0028 |
| 4 | 80 B4 | 3.72 | 1.5 | 2.0 | 1400 | 78.5 | 0.78 | 2.3 | 2.3 | 6.0 | 61 | 16.0 | 0.0034 |
| 5 | 90 L4 | 5.1 | 2.2 | 3.0 | 1410 | 80.0 | 0.81 | 2.3 | 2 3 | 7.0 | 64 | 17.0 | 0.0056 |
| 6 | 100S4 | 6.8 | 3.0 | 4.0 | 1410 | 82.6 | 0.82 | 2.3 | 2 3 | 7.0 | 64 | 21.0 | 0.0100 |
| 7 | 100L4 | 8.8 | 4.0 | 5.5 | 1435 | 84.2 | 0.82 | 2.3 | 2 3 | 7.0 | 65 | 37.0 | 0.0130 |
| 8 | 112M4 | 11.7 | 5.5 | 7.5 | 1440 | 85.7 | 0.83 | 2.3 | 2 3 | 7.0 | 71 | 45.0 | 0.0236 |
| 9 | 132S4 | 15.6 | 7.5 | 10.0 | 1450 | 87.0 | 0.84 | 2.3 | 2 3 | 7.0 | 71 | 52.0 | 0.0227 |
| 10 | 132M4 | 22.5 | 11.0 | 15.0 | 1460 | 88.4 | 0.84 | 2.2 | 2 3 | 7.0 | 75 | 60.0 | 0.0349 |
| 11 | 160S4 | 30.0 | 15.0 | 20.0 | 1460 | 89.4 | 0.85 | 2.2 | 2 3 | 7.5 | 75 | 125 | 0.0600 |
| 12 | 160M4 | 36.3 | 18.5 | 25.0 | 1470 | 90.0 | 0.86 | 2.2 | 2 3 | 7.5 | 76 | 142 | 0.0650 |
| 13 | 180S4 | 43.2 | 22.0 | 30.0 | 1470 | 90.5 | 0.86 | 2.2 | 2 3 | 7.5 | 76 | 160 | 0.0700 |
| 14 | 180M4 | 57.6 | 30.0 | 40.0 | 1470 | 91.4 | 0.86 | 2.2 | 2 3 | 7.2 | 76 | 190 | 0.0800 |
| 15 | 200M4 | 70.2 | 37.0 | 50.0 | 1475 | 92.0 | 0.87 | 2.2 | 2 3 | 7.2 | 79 | 230 | 0.1500 |
| 16 | 200L4 | 84.9 | 45.0 | 60.0 | 1475 | 92.5 | 0.87 | 2.2 | 2 3 | 7.2 | 81 | 260 | 0.1800 |
| 17 | 225M4 | 103 | 55.0 | 75.0 | 1480 | 93.0 | 0.87 | 2.2 | 2 3 | 7.2 | 81 | 325 | 0.2000 |
| 18 | 250S4 | 138.3 | 75.0 | 100.0 | 1480 | 93.6 | 0.88 | 2.2 | 2 3 | 6.8 | 83 | 450 | 0.3500 |
| 19 | 250M4 | 165.5 | 90.0 | 125.0 | 1480 | 93.9 | 0.88 | 2.2 | 2 3 | 6.8 | 86 | 495 | 0.4000 |
| 20 | 280S4 | 201 | 110.0 | 150.0 | 1480 | 94.5 | 0.88 | 2.1 | 2 2 | 6.9 | 86 | 650 | 0.6000 |
| 21 | 280M4 | 240 | 132.0 | 180.0 | 1480 | 94.8 | 0.88 | 2.1 | 2 2 | 6.9 | 93 | 700 | 0.7000 |
| 22 | 315S4 | 288 | 160.0 | 220.0 | 1480 | 94.9 | 0.89 | 2.1 | 2 2 | 6.9 | 93 | 1000 | 2.7000 |
| 23 | 315M4 | 360 | 200.0 | 270.0 | 1480 | 94.9 | 0.89 | 2.1 | 2 2 | 6.9 | 97 | 1200 | 4.8200 |
| 24 | 355S4 | 443 | 250.0 | 340.0 | 1490 | 95.2 | 0.90 | 2.1 | 2 2 | 6.9 | 101 | 1700 | 6.5000 |
| 25 | 355M4 | 559 | 315.0 | 430.0 | 1490 | 95.2 | 0.90 | 2.1 | 2 2 | 6.9 | 101 | 1900 | 8.2000 |
| NO. | Type | V | Output |
Speed r/min |
EFF. % |
P.F. Cos¦Õ |
Ts/Tn | Tmax/Tn | Is/In | Noise LwdB£¨A£© |
Weight kg |
J kgm2 |
|
|---|---|---|---|---|---|---|---|---|---|---|---|---|---|
| 380 | |||||||||||||
| A | kW | Hp | |||||||||||
| 1 | 71A6 | 1.3 | 0.37 | 0.50 | 880 | 62.0 | 0.70 | 1.9 | 2.0 | 4.7 | 54 | 8.4 | 0.0015 |
| 2 | 71B6 | 1.8 | 0.55 | 0.75 | 880 | 65.0 | 0.72 | 1.9 | 2.1 | 4.7 | 54 | 10.0 | 0.0020 |
| 3 | 80A6 | 2.3 | 0.75 | 1.0 | 905 | 69.0 | 0.72 | 2.0 | 2.1 | 5.3 | 57 | 14.0 | 0.0035 |
| 4 | 80B6 | 3.2 | 1.1 | 1.5 | 905 | 72.0 | 0.73 | 2.0 | 2.1 | 5.5 | 57 | 16.0 | 0.0048 |
| 5 | 90L6 | 4.0 | 1.5 | 2.0 | 920 | 76.0 | 0.75 | 2.0 | 2.1 | 5.5 | 61 | 18.0 | 0.0066 |
| 6 | 100L6 | 5.6 | 2.2 | 3.0 | 935 | 79.0 | 0.76 | 2.0 | 2.1 | 6.5 | 65 | 33.5 | 0.0200 |
| 7 | 112MA6 | 7.4 | 3.0 | 4.0 | 960 | 81.0 | 0.76 | 2.1 | 2.1 | 6.5 | 69 | 41.0 | 0.0380 |
| 8 | 112MB6 | 9.75 | 4.0 | 5.5 | 960 | 82.0 | 0.76 | 2.1 | 2.1 | 6.5 | 69 | 50.0 | 0.0425 |
| 9 | 132S6 | 12.9 | 5.5 | 7.5 | 960 | 84.0 | 0.77 | 2.1 | 2.1 | 6.5 | 69 | 56.0 | 0.0500 |
| 10 | 132M6 | 17.2 | 7.5 | 10.0 | 970 | 86.0 | 0.77 | 2.0 | 2.1 | 6.5 | 73 | 61.0 | 0.0597 |
| 11 | 160S6 | 24.5 | 11.0 | 15.0 | 970 | 87.5 | 0.78 | 2.0 | 2.1 | 6.5 | 73 | 125 | 0.0700 |
| 12 | 160M6 | 31.6 | 15.0 | 20.0 | 970 | 89.0 | 0.81 | 2.0 | 2.1 | 7.0 | 73 | 155 | 0.0750 |
| 13 | 180M6 | 38.6 | 18.5 | 25.0 | 980 | 90.0 | 0.81 | 2.1 | 2.1 | 7.0 | 76 | 160 | 0.0900 |
| 14 | 200M6 | 44.7 | 22.0 | 30.0 | 980 | 90.0 | 0.83 | 2.0 | 2.1 | 7.0 | 76 | 195 | 0.2000 |
| 15 | 200L6 | 59.3 | 30.0 | 40.0 | 980 | 91.5 | 0.84 | 2.0 | 2.1 | 7.0 | 76 | 225 | 0.2500 |
| 16 | 225M6 | 71.0 | 37.0 | 50.0 | 980 | 92.0 | 0.86 | 2.1 | 2.1 | 7.0 | 78 | 360 | 0.8250 |
| 17 | 250S6 | 86.0 | 45.0 | 60.0 | 980 | 92.5 | 0.86 | 2.1 | 2.0 | 7.0 | 80 | 465 | 1.2800 |
| 18 | 250M6 | 104 | 55.0 | 75.0 | 980 | 92.8 | 0.86 | 2.1 | 2.0 | 7.0 | 80 | 520 | 1.4800 |
| 19 | 280S6 | 142 | 75.0 | 100.0 | 985 | 93.5 | 0.86 | 2.0 | 2.0 | 6.7 | 85 | 690 | 2.6300 |
| 20 | 280M6 | 169 | 90.0 | 125.0 | 985 | 93.8 | 0.86 | 2.0 | 2.0 | 6.7 | 85 | 800 | 3.3300 |
| 21 | 315S6 | 207 | 110.0 | 150.0 | 985 | 94.0 | 0.86 | 2.0 | 2.0 | 6.7 | 85 | 880 | 3.6000 |
| 22 | 315M6 | 245 | 132.0 | 180.0 | 985 | 94.2 | 0.87 | 2.0 | 2.0 | 6.7 | 85 | 1050 | 6.0000 |
| 23 | 355S6 | 292 | 160.0 | 220.0 | 990 | 94.5 | 0.88 | 1.9 | 2.0 | 6.7 | 92 | 1550 | 9.5000 |
| 24 | 355MA6 | 365 | 200.0 | 270.0 | 990 | 94.5 | 0.88 | 1.9 | 2.0 | 6.7 | 92 | 1600 | 10.4000 |
| 25 | 355MB6 | 457 | 250.0 | 340.0 | 990 | 94.5 | 0.88 | 1.9 | 2.0 | 6.7 | 92 | 1700 | 12.4000 |
| NO. | Type | V | Output |
Speed r/min |
EFF. % |
P.F. Cos¦Õ |
Ts/Tn | Tmax/Tn | Is/In | Noise LwdB£¨A£© |
Weight kg |
J kgm2 |
|
|---|---|---|---|---|---|---|---|---|---|---|---|---|---|
| 380 | |||||||||||||
| A | kW | Hp | |||||||||||
| 1 | 71B8 | 1.10 | 0.25 | 0.37 | 645 | 54.0 | 0.61 | 1.8 | 1.9 | 3.3 | 52 | 9.0 | 0.0025 |
| 2 | 80A8 | 1.49 | 0.37 | 0.50 | 675 | 62.0 | 0.61 | 1.8 | 1.9 | 4.0 | 56 | 15.0 | 0.0030 |
| 3 | 80B8 | 2.17 | 0.55 | 0.75 | 680 | 63.0 | 0.61 | 1.8 | 2.0 | 4.0 | 56 | 18.0 | 0.0038 |
| 4 | 90LA8 | 2.43 | 0.75 | 1.0 | 680 | 70.0 | 0.67 | 1.8 | 2.0 | 4.0 | 59 | 23.0 | 0.0063 |
| 5 | 90LB8 | 3.36 | 1.1 | 1.5 | 680 | 72.0 | 0.69 | 1.8 | 2.0 | 5.0 | 59 | 28.0 | 0.0090 |
| 6 | 100L8 | 4.40 | 1.5 | 2.0 | 690 | 74.0 | 0.70 | 1.8 | 2.0 | 5.0 | 61 | 33.5 | 0.0123 |
| 7 | 112MA8 | 6.0 | 2.2 | 3.0 | 710 | 79.0 | 0.71 | 1.8 | 2.0 | 6.0 | 64 | 46.0 | 0.0221 |
| 8 | 112MB8 | 7.80 | 3.0 | 4.0 | 710 | 80.0 | 0.73 | 1.8 | 2.0 | 6.0 | 64 | 53.0 | 0.0288 |
| 9 | 132S8 | 10.3 | 4.0 | 5.5 | 720 | 81.0 | 0.73 | 1.9 | 2.0 | 6.0 | 68 | 70.0 | 0.0690 |
| 10 | 132M8 | 13.6 | 5.5 | 7.5 | 720 | 83.0 | 0.74 | 1.9 | 2.0 | 6.0 | 68 | 86.0 | 0.0935 |
| 11 | 160S8 | 17.8 | 7.5 | 10.0 | 720 | 85.5 | 0.75 | 1.9 | 2.0 | 6.0 | 68 | 125 | 0.0800 |
| 12 | 160M8 | 25.5 | 11.0 | 15.0 | 730 | 87.5 | 0.75 | 2.0 | 2.0 | 6.5 | 70 | 150 | 0.0850 |
| 13 | 180M8 | 34.1 | 15.0 | 20.0 | 730 | 88.0 | 0.76 | 2.0 | 2.0 | 6.6 | 73 | 172 | 0.1000 |
| 14 | 200M8 | 41.1 | 18.5 | 25.0 | 730 | 90.0 | 0.76 | 1.9 | 2.0 | 6.6 | 73 | 210 | 0.3000 |
| 15 | 200L8 | 48.9 | 22.0 | 30.0 | 730 | 90.5 | 0.78 | 1.9 | 2.0 | 6.6 | 73 | 225 | 0.3500 |
| 16 | 225M8 | 63.0 | 30.0 | 40.0 | 735 | 91.0 | 0.79 | 1.9 | 2.0 | 6.5 | 75 | 360 | 0.8250 |
| 17 | 250S8 | 78.0 | 37.0 | 50.0 | 740 | 91.5 | 0.79 | 1.9 | 2.0 | 6.6 | 76 | 465 | 1.3500 |
| 18 | 250M8 | 94.0 | 45.0 | 60.0 | 740 | 92.0 | 0.79 | 1.9 | 2.0 | 6.6 | 76 | 520 | 1.5500 |
| 19 | 280S8 | 111.0 | 55.0 | 75.0 | 740 | 92.8 | 0.81 | 1.8 | 2.0 | 6.6 | 82 | 690 | 2.6300 |
| 20 | 280M8 | 150 | 75.0 | 100.0 | 740 | 93.5 | 0.81 | 1.8 | 2.0 | 6.2 | 82 | 800 | 3.3300 |
| 21 | 315S8 | 178.0 | 90.0 | 125.0 | 740 | 93.8 | 0.82 | 1.8 | 2.0 | 6.4 | 82 | 880 | 3.6000 |
| 22 | 315M8 | 217 | 110.0 | 150.0 | 740 | 94.0 | 0.82 | 1.8 | 2.0 | 6.4 | 82 | 1050 | 6.0000 |
| 23 | 355S8 | 261.0 | 132.0 | 180.0 | 740 | 93.7 | 0.82 | 1.8 | 2.0 | 6.4 | 90 | 2000 | 7.9000 |
| 24 | 355MA8 | 315.0 | 160.0 | 220.0 | 740 | 94.2 | 0.82 | 1.8 | 2.0 | 6.4 | 90 | 2150 | 10.3000 |
| 25 | 355MB8 | 387.0 | 200.0 | 270.0 | 740 | 94.5 | 0.83 | 1.8 | 2.0 | 6.4 | 90 | 2250 | 12.3000 |
